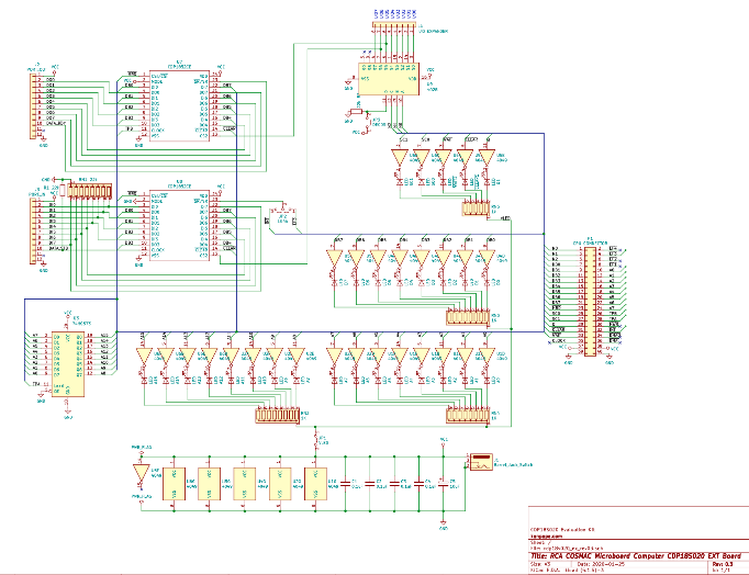
COSMAC MBC拡張ボードの回路図をCOSMAC MicroBoard ComputerのGithubに掲載しました。

PCB Errataも追記しました。BOMも更新済みです。
なるべくオリジナルに近くなるようにしています。
決めかねていたバスの端子も確定したので、現在のCPUボードにも手を入れる前提の回路です。
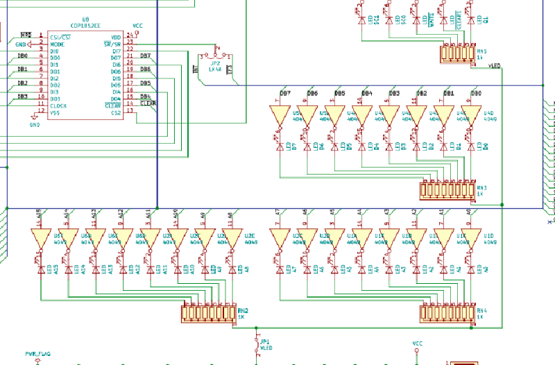
COSMAC MBC拡張ボードの回路図をCOSMAC MicroBoard ComputerのGithubに掲載しました。

PCB Errataも追記しました。BOMも更新済みです。
なるべくオリジナルに近くなるようにしています。
決めかねていたバスの端子も確定したので、現在のCPUボードにも手を入れる前提の回路です。